通常のツマミは、表面に音量位置を示すマーク(突起など)がついていますが、このアンプでは、より明確に位置がわかるように、次の写真にあるように青色LEDを点灯するようにしました。しかも、モーターで回転中は点滅して、それを示します。
しかし、市販のツマミでマーク部分にLEDを内蔵したものはないようなので、通常のツマミを加工して製作しました。以降にその方法を説明します。

入手したツマミは、直径30mmで表面のみアルミ(シルバー)、内部はプラスチック製のものです。あまり高級感はありませんが、プラスチックなので加工しやすく、何より安価でした。ただ、ローレットシャフト用、つまりギザギザのシャフト用で、ビス止めではなく、差し込んで使うタイプでした。
まず、ツマミにキズが付かないように、ツマミの表面全体にマスキングテープを貼っておきます。そして次に、φ6mmのキリ(金工用ドリルの刃)で内部のギザギザを削り取り、ギザギザのない通常シャフトが入るようにします。

次に、マークとなる部分にφ2mmの穴を開け、LEDの光が出るようにします。この穴は、バリをきれいに取った後、紫外線硬化型接着剤で埋めて表示灯(透明な表示窓)のようにします。
次に、マークの反対側で高さの1/2くらいの位置に、横からφ2.5mmの穴を中心まで開け、プラスチック部分にM3のタップでねじを切ります。そのネジ穴には、写真のように半径より長めのビスを仮に取り付けておきます。
青色チップLED OSB5SAS1C1A-JKを、写真のようにロープロファイル(背が低い)のピンヘッダにはんだ付けしたものを作ります。それを、ツマミに開けたマークとなるφ2mmの穴の内側に置き、動かないように押さえながらエポキシ系接着剤を流し込みます。このとき、ピン部分が接着剤に埋まらないよう、マスキングテープであらかじめ覆っておきます。
同様に、ビス側もねじ部分が完全に埋まるまでエポキシ系接着剤を流し込みます。LEDのピンヘッダは、どっちがA(アノード)かK(カソード)かわかるように、ツマミ内側に書き込んでおきます。
接着剤が硬化したら、ピン部分のマスキングテープを外して、ピンソケットが差し込めるか確認しておきます。仮のビスは取り外し、ここにM3×6mmのイモネジを入れて、表面に貼ったマスキングテープをはがせば、LED内蔵ツマミは完成です。
説明が先行してしまいますが、次の写真(左)のように、組み立ての最終の段階で延長シャフトにLED用の電線を2本通し、外になる部分にロープロファイルのピンソケットをはんだ付けします。この電線のギヤ側は、ボリュームの回転でシャフトに巻き付くので、写真のように十分な長さを持たせ結束バンド等で固定しておきます。
次に写真(右)のように、ツマミと同じφ30mmの黒色フェルトを表からシャフトに通してから、ツマミ内のピンヘッダにピンソケットを差し込みます(LEDの極性を間違えないように)。その後、電線が表に出ないようにツマミをシャフトに差し込み、位置を合わせてイモネジを締めれば終了です。

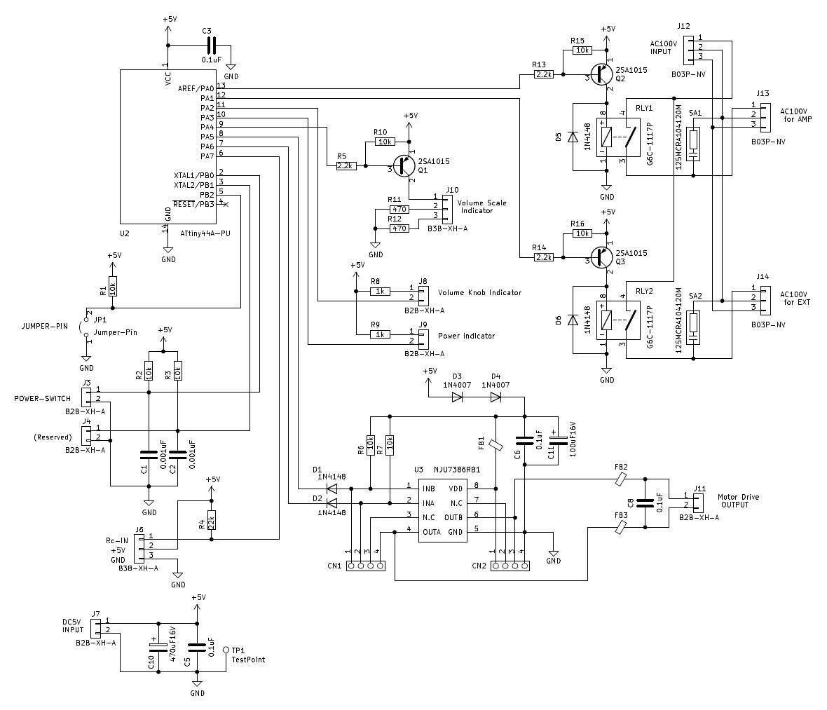
6.制御基板の回路
下記に制御基板の回路図を示します。

このアンプの制御には、アトメル(現マイクロチップ)のAVRマイコン「ATtiny44A」を使っています。このマイコンは、14ピンDIPパッケージで扱いやすく、価格も安いです。
アンプ用と外部機器用のAC100V電源は、それぞれオムロンのパワーリレーG6C-1117P-USを使ってON/OFFします。外部機器用のリレーは、アンプ用に対して約0.5秒遅れてONし、突入電流を抑えるようにしています。なお、使用したインレット型ノイズフィルタの定格電流が3Aなので、使える外部機器は100Wくらいまでです。
電動ボリュームのモーター駆動には、新日本無線のフルブリッジドライバNJU7386RB1を使いました。先に述べたように、モーターの電源が3Vなので、このフルブリッジドライバも3Vで動作させます。VDD端子にある2つの整流用ダイオードは、順方向電圧を利用して5Vを3Vに落とすためのものです。なお、NJU7386RB1はTVSP8という小さいフラットパッケージですが、そのまま実装できるように基板のパターンを作ってあります。ただ、NJU7386RB1が入手できない場合、他のブリッジドライバをDIP変換基板で実装できるよう、8ピンDIPのパターンも用意しています(回路図のCN1,CN2)。
この制御基板の電源はアンプ用電源と別で、ケース背面にあるメインスイッチを切らない限り通電状態です。したがって、制御基板は常に動作中で、いつでも押しボタンスイッチの読み込みやリモコン信号の受信を行うことができます。スイッチング電源を2個使うことになりますが、使用しない時に、アンプ用の大きい方の電源をOFFにしておけます。
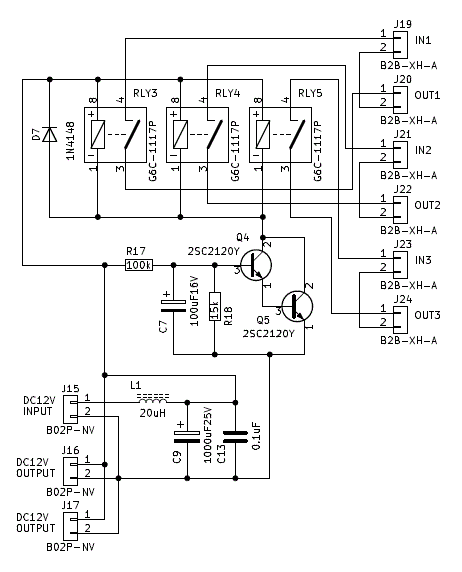
7.ポップノイズ防止回路
下記にポップノイズ防止回路を示します。

この基板は、アンプ用電源のノイズフィルタも兼ねていて、コネクタJ16,J17は各アンプ基板の電源入力に接続します。
8.リモコン受信基板の回路
下記に赤外線リモコン受信基板の回路図を示します。といっても、赤外線リモコン受信モジュールOSRB38C9AAとその周辺が載っているだけの小さな基板です。図中のLEDは、電源表示用の緑LED OSG5120641Eです。

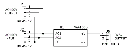
9.制御基板用の電源基板の回路
下記に制御基板用の電源基板の回路を示します。といっても、コーセルのオンボード形式スイッチング電源VAA1005(5V 2A)とコネクタが載っているだけの基板で、サイズは制御基板と同じです。

10.制御基板の製作
次の写真は、製作した制御基板(右)と制御基板用の電源基板(左)のプリント基板です。これらの基板は、筆者がプリントパターンを起こしたオリジナルのものです。
実は、左の電源基板でVAA1055の出力端子のランド位置が間違っていたため、新たな穴を開けて修正しています。


制御基板 電源基板
AC100Vで使用する部分のコネクタには、日本圧着端子(JST)製でピンの間隔が5mmのNVコネクタを使っています。写真ではわかりにくいですが、スイッチング電源VAA1005が載っている基板は、制御基板と同じ大きさで、ケースには二段重ねの状態で実装します。電源基板に見える直付けの電線は、制御基板に渡るAC100VとDC5Vの電源線で、距離も短いので直付けにしました。
AVRマイコンATtiny44Aは、この基板上ではROMに書き込みできません。そのため、別のライタで書き込みを行って実装できるよう、ICソケットを使用しています。
11.リモコン受信基板の製作
次の写真は組み立てたリモコン受信基板です。基板にはライトアングル(L字型)のXHコネクタを付けるようにパターンがありますが、電線を直付けしています。この基板も筆者オリジナルのものです。

基板には、赤外線リモコン受信モジュール OSRB38C9AAとその周辺部品、それに緑LED OSG5120641Eが載っているだけです。