次の写真は、ライト本体のケースの組み立て前の部品と、組み立てて塗装した後の状態です。ケースの部品は、t2.0の黒色アクリル板から切り出したものです。
ただし、写真左の部品には裏ぶたとアクリル三角棒など補強用部品は含まれていません。
写真ではわかりにくいですが、ケース内にはφ6アクリル棒で製作したM3×5mmのスペーサを、基板やLEDを取り付けるボスとして接着しています。

t2.0黒色アクリル板から切り出した部品 接着組み立てし黒色塗装したケース
ケースの寸法図を次に示します(クリックすると別ウインドウで開きます)。
・ケース用アクリル部品寸法図(1)
・ケース用アクリル部品寸法図(2)
・ケース組立寸法図(参考図のため寸法記入がない部分があります)
8.基板の実装
次の写真は、すでに「内部」の説明で紹介していますが、基板とLEDの実装状態です。仮のカバーの部分には、実際には拡散用の透明樹脂カバー※が取り付けられます。
LEDの指向性が狭いので、当初、細い拡散用反射板をLED前部に取り付ける予定でしたが、うまく拡散しなかったため白色のLEDキャップで拡散させることにしました。
※拡散用の透明樹脂カバーは、波板のようなスチロール樹脂でできた100円ショップの小物入れから作成しました(詳細は記載しません)。

制御基板実装部 LED実装部(照明部)
次の写真は、少しわかりにくいですが、作成した反射板です。光が透過しないように、裏面にはアルミテープが一面に貼ってあります。

9.アームの製作
アームの寸法図および組立図を次に示します(クリックすると別ウインドウで開きます)。
・アーム部品寸法図(1)
・アーム部品寸法図(2)
・アーム組立図(参考図のため寸法の記入はありません)
アームはL型アルミアングルで製作しましたので、強度的にも剛性にも不安はあります。しかし、大げさな工作機械を使わず、誰にでも手作りできるものと思えば、妥協できるものでしょう。
次の写真は、つや消し黒の塗装をして組み立てたアームです。
クランプ近くと本体近くのアームの接続部は、共に自由度が2方向しかありません。従って、上下・前後の移動はできますが、ねじるような方向の回転はできません。また、左右の移動は前後の伸縮を伴うので、若干の移動のみです。
ボールジョイントが使用できれば、接続部の自由度はもっと増したでしょうが、適当なものが見当たらず今回は見送りました。

組み立てたアーム
10.アームのクランプ
アームを棚などに固定するためのクランプ部分には、工作で材料を仮固定するときなどに使う、“マイクロクランプ”という小さなクランプを2個使用しました(下記写真左参照)。
クランプ自体は金属製ですが、細いため穴をあけて使用するには強度的に不安なので、下記写真中および右のように2枚のアルミ板で挟み込んだだけで済ませました。
写真中に見えますが、クランプの棚にあたる部分には1mm程のゴムシートを貼って、棚板が傷つくのを抑えています。ただ、ねじ側には何もありません。棚にあたる部分のねじ側は自由回転せず、ねじに固定状態です。従って、ねじを締めるときに棚板をこすってしまい、傷をつける可能性があります。

使用したマイクロクランプ 組み立てたクランプ部分(1) 組み立てたクランプ部分(2)
11.改善すべき点
改善すべき点は、まず明るさです。超高輝度LEDとはいえ、6個では暗いと言わざるを得ません。枕元灯としてならいいでしょうが、机の照明にはもう少し明るさがあるといいです。
次にアームです。前にも述べましたが、自由度と強度が不足していると思います。
もともと机上の照明を目的としていたので、アームの自由度についてはあまり求めていなかったのですが、つい動かしてしまうということがあり、自由度はないよりあった方が良いようです。
強度の点では、アーム部分はL型アルミアングルなのでたわみやすいです。アームは、円筒が一番いいのかもしれませんが、曲がり部分の加工が難しいので、コの字型や口の字型アングルでよいと思います。
もし、このようなアーム型LEDライトを製作する方がいらっしゃいましたら、参考にしてください。
12.明るくしてみました
前述のように明るさに問題があったので、1Wの白色パワーLEDに交換してみました。
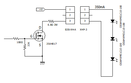
使用したLEDは、「OSW4XME1C1E-100」という白色のもので 、Vf=3.3V,If=350mA(max400mA) 、明るさ 100ルーメン(350mA時)というものです。
下の写真は、これまでスチロール樹脂製だった反射板を、放熱器を兼ねてアルミ板にしてLEDを取り付けたところです。LEDは熱伝導接着剤で取り付けました。反射板の裏には、さらに放熱させるため熱伝導パテを挟んで、コの字型に曲げたアルミ板を付けています(ケースの方も放熱穴を増やしています)。

アルミ板で作った反射板にLEDを接着 裏側の放熱板
LEDの電流Ifを 350mA としたため、回路のLEDドライブ部分を下図のように変更しています。なお、ドライバに使ったFET「2SK4017」にも放熱板が必要です。

パワーLEDにしたものを点灯させたところです。最大の明るさにしても、1W×3個では若干明るさ不足は感じますが、実用できる明るさだと思います。

注意:パワーLEDは発熱が多く、しかも熱に弱いので放熱板が必要です。放熱板への接着も、熱伝導を良くしないとすぐに壊れます。