下の写真が製作したミニLEDスタンドです。
笠の部分は、切り取ったペットボトルの口の部分でできています。交換が可能なので、いくつかのデザインで作っておけば、気分に合わせて取り換えることもできます。
残念ながらあまり明るくないので、枕元灯や装飾品として使用することを想定しています。

製作したミニLEDスタンド
2.チャージポンプキットについて
チャージポンプというのは、コンデンサの充電・放電を制御して、入力電圧より高い電圧や負の電圧を作り出す仕組みのことです。
白色LEDは順方向電圧(VF)が3V以上あり、1.5Vの乾電池1~2個では点灯できません。
使用した秋月電子通商のチャージポンプキットは、下の写真にあるような部品セットです。LTC3202という制御ICを使って、入力電圧(2.7V~4.5V)の最大1.5倍の電圧を作り、白色LEDを点灯することができます。
このキットの出力電流は最大125mAなので、LEDの順方向電流(IF)を25mAとするなら、5個まで点灯できます。制御ICはDIP変換基板に実装され、必要なコンデンサも取り付けられています。
白色LED(OSWT3166B)と制限抵抗(47Ω)が各5本、プルアップ用抵抗(10KΩ)も2本付属しているので、電源やスイッチを用意すれば、簡単にLED照明を作れます。
以降、この基板をLTC3202モジュールと呼びます。

チャージポンプキットの構成
下図はミニLEDスタンドの回路図です。
LTC3202は、設定で明るさを3段階に切り替えることができます。その機能を利用し、明るさをスイッチで2段階(明・暗)に切り換えられるようにしました。
電源は、単三型アルカリ乾電池(LR6)を2本使いDC3Vとしています。この電池は電池ホルダーに入れ、ケース内に実装するようにしました。
LEDはLTC3202モジュールから離れるので、制限抵抗をLED近くに実装して配線が3本で済むようにしました。
電池ホルダーのリード線とLEDからの配線は、それぞれピンヘッダ/ピンソケットを使って基板に接続します。1ピンずつ未使用ピンがあるのは、もし逆刺しても壊れないようにするためです。通常のコネクタと違い、ピンヘッダに逆刺し防止の仕掛けがないので、このようにしてみました。
なお、チャージポンプキットに付属する部品以外は、別途用意する必要があります。
【備考】付属の制限抵抗(47Ω)では、電源がDC3Vの場合に最も明るい設定で、LEDの順方向電流(IF)は約13mAです。

4.スイッチ基板の製作
基板は、LEDを実装する基板Aと基板B、LTC3202モジュールとスイッチを実装する基板Cの計3枚あります。基板はすべて、1/10インチピッチのユニバーサル基板です。
まず、基板Cについて説明します。
下図の左が基板Cの寸法図で、大き目の基板から切り出して作ります。右の写真が部品を実装した状態です。
LTC3202モジュールは、付属の連結ピンでハンダ付けします。隣に見える2本の抵抗はキットに付属のプルアップ用抵抗(10KΩ)です。
配線を接続するピンヘッダは、横から差し込むためにL型のものを使います。
スイッチは、基板に実装する形のトグルスイッチです。使用したのは、秋月電子通商で購入した2MS1-T1-B4-VS2-Q-Eという1回路2接点のもので、その1接点を使っています。

基板Cの寸法図 組み立てた基板C
5.LED実装部分の製作
LEDを実装する部分(以降LED組み立てと呼びます)について説明します。
LED組み立ては、ペットボトルの口に入るように作ります。そのため、下図に示すように円形の基板Aと基板Bを作ります。今回は、基板Bを両面基板で製作しましたが、片面基板でも問題ありません。
ペットボトルによって、口の内径が多少異なる場合があります。製作する人は、使用するペットボトルの口の内径を測って確認・調整してください。

まず、LEDのカソード側リード線(短い方)を約6mmにカットしておきます。 次に、LEDを基板Aに五角形の配置になるように部品面から差し込んで、2mmほど浮かせてカソードおよびアノードをハンダ付けします。このとき、カソード側が全て基板の外側を向くようにします。また、LEDが基板に対しできるだけ垂直となるようにします。
次に、制限抵抗のリード線の一方を約3mmの長さにカットし、カットした方を基板Aのハンダ面から、カソード側リード線を延長するような感じでカソードにハンダ付けします。
制限抵抗を5本ともハンダ付けしたら、基板Bにアノード側リード線と制限抵抗のもう一方のリード線を部品面から差し込みます。このとき基板AとBは、同じ位置の穴を使うようにそろえます。
基板Bにすべてのリード線を差し込んだら、基板AとBが約10mmの間隔で平行になるように注意しながら基板Bをハンダ付けし、余分なリード線を切除します。
次に、右の写真のように、基板Bのハンダ面で、全てのアノードと制限抵抗をそれぞれ共通に接続します。
製作する場合、アノードとカソードが接触しないように、またLED組み立てが歪まないように注意してください。歪んでいると、ペットボトルの口に入らなくなる場合があります。


基板A・BによるLEDの実装方法 組み立てた基板A・B
6.ペットボトルで笠を製作
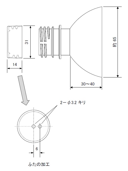
ライトの笠の部分は500ml(350mlでも可)のペットボトルで作ります。使用するのは下図に示すように、口の部分とそこから30~40mmの肩の部分です。右の写真は実際に切断したペットボトルです。
ペットボトルは、丸くて照明の笠らしい形なので、炭酸飲料が入っていたものを使用しました。飲料によって他の形もあるので、いろいろ試してみるのも良いと思います。

使用するペットボトル口部分とふたの寸法図 切断したペットボトルの口部分とふた
下の写真左は、内側・外側とも白色に塗装した笠です。ただし、ふたは穴加工のみで塗装はしていません。
下の写真右は、鳥や花などの模様を白抜きで入れた例です。内側は白色塗装で、外側にマスキングテープで作った模様を貼って黒色のスプレー塗装したものですが、模様や色は他にもいろいろ考えられると思います。


製作した白色の笠 製作した絵入りの笠
7.ケースの製作
スイッチや電池を入れる、スタンドの台の部分は樹脂ケースです。 材料は、下の写真に示す100円ショップで購入した樹脂ケース(269mm×100mm×27mmスチロール製)で、それを切断して作りました。

使用した100円ショップのケース
下記にケースの加工寸法図を示します。
・上側ケースの寸法図
・下側ケースの寸法図
・補強用部品の寸法図
これらは、上記の樹脂ケース1つからすべて製作できます。
次の写真は製作した上・下ケースと、それらに塗装した状態です。電池ホルダーを両面テープで貼り付けるので、その部分はマスキングテープで塗装されないようにしています。また、基板固定用の貼り付けボスがすでに貼ってありますが、塗装後に貼ってもかまいません。
上ケースのスイッチの部分は、写真のようにインスタントレタリング(転写文字)で文字を入れ、その上から保護のために透明フィルムを貼りました。



組み立てた上・下ケース ボスを貼り付け塗装した状態

表面のスイッチ穴部分に文字入れ
【注意】樹脂ケースの接着には、スチロール樹脂が接着できる接着剤を使います。また、塗装にはスチロール樹脂に使用できるものを使います。